时钟树
为什么要有时钟信号
如上图为一个简单的门电路,其逻辑为:O = (A & B) ^ B
现在,我们把 \(B\) 的输入信号从 0 改为 1,让我们看一下时序图:

可以看到,当 \(B\) 信号发生变化时,输出信号 \(O\) 先变为 1,然后才变为 0(即所谓 空翻 现象)。这是因为门电路的延迟导致的。
为什么?
当 \(B\) 信号发生变化时,AND 门的输出信号并不会立即变化,XOR 门的输出信号在经过延迟后变为 1,然后 AND 门的输出信号终于变为 1,从而 XOR 门的输出信号在经过延迟后再变为 0。
一个简单的解决方法是在输出端加入边沿 D 触发器:
边沿 D 触发器的特点是:在 \(R\) 为低电平时,输出 \(Q\) 维持为上一次的值,直到 \(R\) 从低电平转变为高电平时,输出 \(Q\) 才会变为 \(D\) 的新值。
当将 \(R\) 接到时钟信号时,我们可以控制输出信号的变化时机(即时钟上升沿),只要我们避免使用过高频率的时钟,空翻现象造成的错误逻辑就不会被传递到后续的逻辑中,从而屏蔽空翻现象对逻辑的影响。
现代处理器通常都是由大量的门电路组成的,而这些门电路由时钟信号控制的,可以保证处理器的逻辑运算是按照时钟信号的节奏进行的,从而避免空翻现象对逻辑的影响。
时钟信号的来源
STM32 单片机共有两种时钟信号,用于不同用途:
- HSx(High Speed):高速时钟信号
- LSx(Low Speed):低速时钟信号
单片机内部自带了 RC 振荡器,可以产生两个时钟信号,分别称为 HSI(高速内部时钟信号) 和 LSI(低速内部时钟信号),但内部时钟信号的精度通常不高。
为了提高时钟信号的精度,通常会在单片机外部接入晶振提供时钟信号,有两个信号可以提供,分别称为 HSE(高速外部时钟信号) 和 LSE(低速外部时钟信号)。
提示
对于 WeAct Studio 设计的 MiniF4 系列开发板,开发板已自带相关晶振,HSE 为 25MHz(连接在 PH0 和 PH1 引脚),LSE 为 32.768kHz(连接在 C14 和 C15 引脚)。
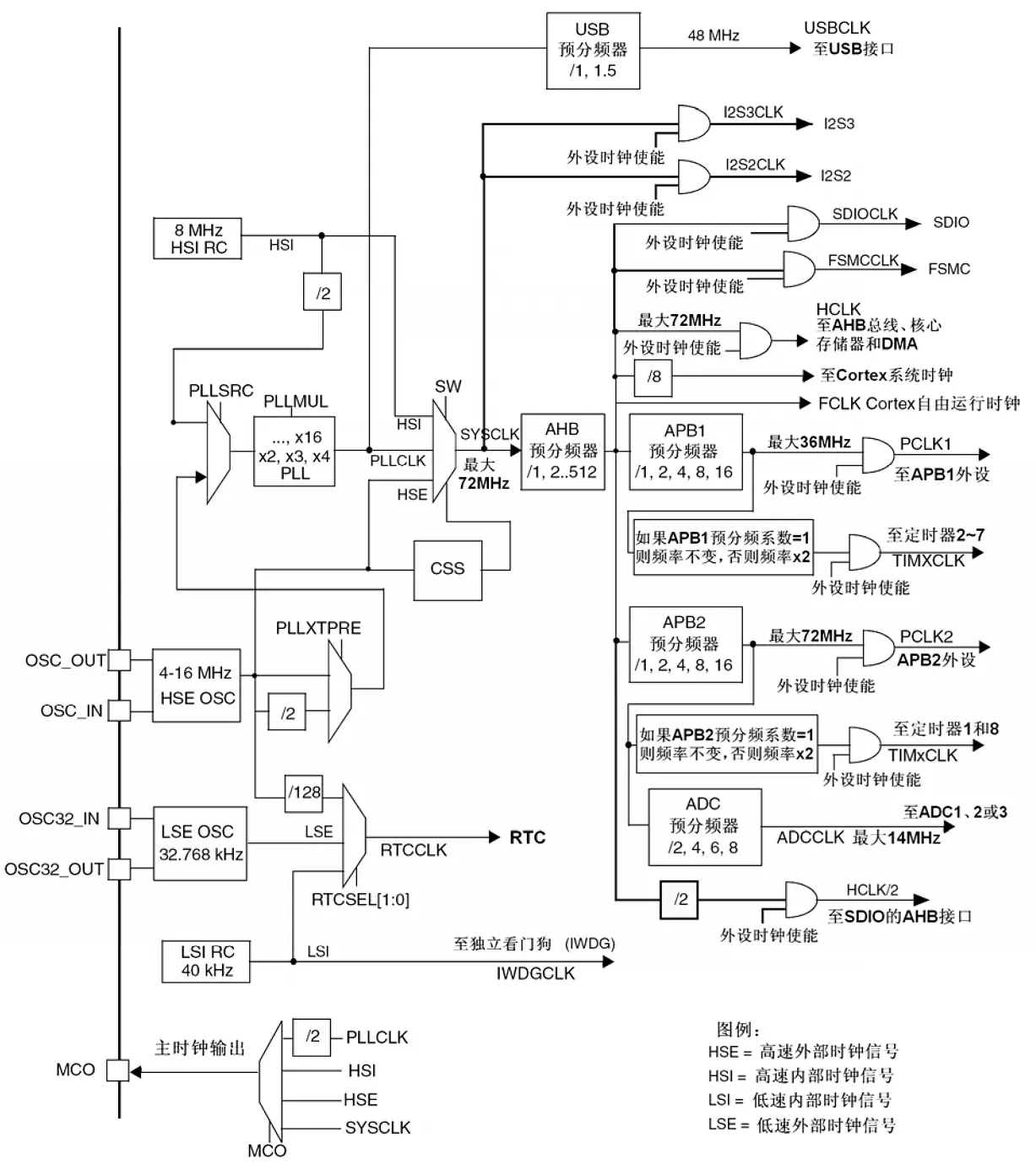
时钟树
STM32 单片机内部的时钟信号由一个复杂的时钟树提供,但总体而言,时钟信号都来自于 HSx 和 LSx 两个信号源,然后经过一系列的分频、倍频、分频后再倍频等操作,最终为各个模块提供不同频率的时钟信号。由于这种时钟结构通常是树状的,所以称为时钟树。

时钟树的结构在不同型号的单片机中可能会有所不同。通常而言,时钟树主要包含以下几个部分:
高速部分
- 通过 HSI / HSE 或经过 PLL 倍频后的 PLLCLK 信号,为系统提供系统时钟(SYSCLK)
- 通过 SYSCLK 信号,经过一次分频,为总线提供 AHB 时钟(HCLK)
- 通过 AHB 时钟为处理器内核、内存、DMA 等重要单元提供时钟信号
- 通过 AHB 时钟,经过分频、倍频,为 APBx 总线提供 APBx 时钟(PCLKx),其中 APB 是 Advanced Peripheral Bus 的缩写,意思是高级外设总线,APBx 指 APB1 或 APB2
- 通过 APBx 时钟为各个外设(定时器、USART、SPI、I2C、ADC 等)提供时钟信号
低速部分
- 主要为 RTC 和 IWDG(独立看门狗)提供时钟信号
如何配置时钟树
在现代 STM32 单片机开发中,我们通常使用 CubeMX 来配置时钟树:

在 Pinout & Configuration 标签页中,选择 RCC(Reset and Clock Control)模块,根据需要开启或关闭 HSE、LSE 时钟源。
在 Clock Configuration 标签页中,可视化地配置时钟树,CubeMX 会自动计算分频、倍频等参数,并对时钟树配置进行正确性检查。
实例:对于 MiniF401 开发板,拉高到最大频率 84MHz
- 在 RCC 模块中,开启 HSE 时钟源:选择 Crystal/Ceramic Resonator。
- 在 Clock Configuration 标签页中,将 Input frequency 设置为 25MHz,将 PLL Source Mux 设置为 HSE,将 System Clock Mux 设置为 PLLCLK,然后在 HCLK 中输入 84MHz,回车让 CubeMX 自动计算分频、倍频等参数。
